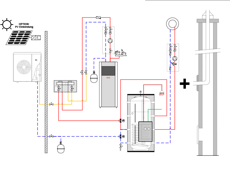
Wärmepumpen-Öl-Hybridlösung 1 - Hybridsystem AEROTOP® MONO.2 mit STRATON® ST
Kombination aus Luft-Wasser-Wärmepumpe AEROTOP® MONO.2 und STRATON® ST mit Pufferspeicher, Abgassystem und Frischwasserstation (FRIWA), Modulierende Luft-Wasser Wärmepumpe, Leistung 1,7 kW - 11,7 kW (A7/W35)