Wärmepumpen-Öl-Hybridsystem AEROTOP® MONO.2 mit STRATON® ST ELCO

Wärmepumpen-Öl-Hybridlösung 1

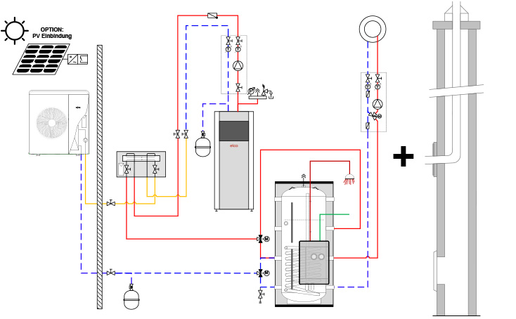
Hybridsystem AEROTOP® MONO.2 mit STRATON® ST, Kombination aus Luft-Wasser-Wärmepumpe AEROTOP® MONO.2 und STRATON® ST mit Pufferspeicher, Abgassystem und Frischwasserstation (FRIWA)

Modulierende Luft-Wasser Wärmepumpe, Leistung 1,7 kW - 11,7 kW (A7/W35)

Wegweisende Hybridlösung

• Kombination aus Öl-Brennwert und erneuerbarer Energie

• AEROTOP® MONO 05.2 mit COP von 5,0 (A7/W35)

• Intelligentes Regelkonzept durch den Hybridmanager

• Maximale Versorgungssicherheit und Flexibilität

• Vielseitig durch unterschiedliche Konfigurationen

• Heizen, Trinkwarmwasser, Kühlfunktion optional

• Einfache Bedienung über benutzerfreundlichen REMOCON PLUS.2 Regler

• Stromzähler zur Messung des Wärmepumpenstromverbrauchs enthalten

• Inbetriebnahme Hybridlösung inklusive

• Wärmepumpe ist 100% regenerativ, daher entfällt Bioanteil-Pflicht für Öl-Brennwert nach GEG 2024

Lieferumfang

Lieferumfang

Wärmeerzeuger + Zubehör

Öl-Brennwertkessel STRATON® ST 18, 21 oder 24, Luft-Wasser Wärmepumpe AEROTOP® MONO 05.2M-RX oder 08.2M-RX bestehend aus Außeneinheit, HYBRID UNIVERSAL Modul und Systemregler REMOCON PLUS.2

Speicher + Zubehör

600 Liter Pufferspeicher, Frischwasserstation (20-3), Anlegefühler und Zubehör

Hydraulik + Zubehör

Mischerkreis (MK3 DN25) und Speicherladegruppe mit Hocheffizienzpumpen, Anschlusszubehör, Ausdehnungsgefäß 18 und 50 Liter, Wandhalterung und Kappenventil, Heizölfilter (Toc DUO), Kondensatwanne, Wärmemengenzähler (integriert)

Abgaszubehör

Siehe Abgassysteme

 

Artikelnummern

STRATON® ST 18 21 24
AEROTOP® MONO 05.2M-RX mit 600 Liter Pufferspeicher 4174052 4174053 4174054
AEROTOP® MONO 08.2M-RX mit 600 Liter Pufferspeicher 3735979 3735980 4174055

Wandmontageset für AEROTOP®05.2 Außeneinheit 3735429
Wandmontageset für AEROTOP®08.2 Außeneinheit 3735430
Bodensockel für AEROTOP® Außeneinheit 3735431

Abgassysteme

Abgassystem (Durchmesser) 80
Grundbausatz Schacht (7m) 3732110
Flexible Lösung (10m) 3733450
Flexible Lösung (15m) 3735162

100% ELCO

Wärmepumpen-Öl-Hybridlösung 1

Kontaktieren Sie uns.

Sie haben Fragen oder Wünsche?
Wir freuen uns über Ihre Kontaktaufnahme.

Oder nutzen Sie unser Kontaktformular. Wir werden uns schnellstmöglich mit Ihnen in Verbindung setzen.