Wärmepumpe AEROTOP S.2 ELCO

Wärmepumpenlösung 8

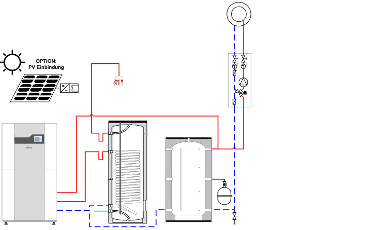
AEROTOP® S.2 für die Innenaufstellung mit 300 Liter Trinkwarmwasserspeicher und Pufferspeicher

Luft-Wasser Wärmepumpe (modulierend), Leistung 2,8 kW - 22,0 kW (A7/W35)

Hohe Leistungszahlen – COP bis zu 5,1 (A7/W35)

• Extrem leiser Betrieb mit 46 dB(A), so leise wie ein Kühlschrank

• Nur 1,5 m² Stellfläche bei Eckinstallation

• Bis 65 °C Vorlauftemperatur

• Heizen und Trinkwarmwasser, Kühlfunktion optional

• LED Betriebszustandsanzeige

• Stromzähler zur Messung des Wärmepumpenstromverbrauchs enthalten

• COP und JAZ Anzeige integriert

• Inbetriebnahme Wärmepumpe inklusive

Lieferumfang

Lieferumfang

Wärmeerzeuger + Zubehör

Luft-Wasser Wärmepumpe AEROTOP® S05. 2, S07. 2, S09. 2, S12. 2 oder S15. 2 mit integrierter Hocheffizienzpumpe, Systemregler LOGON B und Außenfühler

Speicher + Zubehör

300 Liter Trinkwarmwasserspeicher, Pufferspeicher 200 bzw. 400 Liter (S12.2/S15.2), Speicherfühler und Anlegethermostat

Hydraulik + Zubehör

Wandaufstellung WAI und WAO mit Wärmepumpen-Anschlussdichtung und Dämmset zur Wanddurchführung, Ausdehnungsgefäß 35 Liter und Kappenventil, STB, 3-Wege-Umstellventil für die Umschaltung Heizen und Warmwasserbereitung, Mischerkreis (MK3 DN25) mit Hocheffizienzpumpe, Wärmemengenzähler (integriert)

Optional

Bestellung von Wetterschutz- oder Maschengitter

 

Artikelnummern

AEROTOP® S05.2 S07.2 S09.2 S12.2 S15.2
200 Liter Pufferspeicher 3735981 3735982 3735983
400 Liter Pufferspeicher 3735984 3735985

100% ELCO

Wärmepumpenlösung 8

Kontaktieren Sie uns.

Sie haben Fragen oder Wünsche?
Wir freuen uns über Ihre Kontaktaufnahme.

Oder nutzen Sie unser Kontaktformular. Wir werden uns schnellstmöglich mit Ihnen in Verbindung setzen.