Wärmepumpe AEROTOP SX ELCO

Wärmepumpenlösung 6

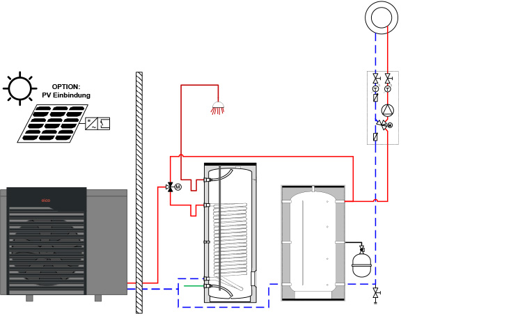
AEROTOP® SX für die Außenaufstellung mit 300 Liter Trinkwarmwasserspeicher und 200 Liter Pufferspeicher

Modulierende Luft-Wasser Wärmepumpe, Leistung 1,85 kW - 12,54 kW

Besonders leise und extrem leistungsstark

• Geringe Geräuschentwicklung - AEROTOP® SX7 erreicht einen Schallleistungspegel von 47 dB(A)

• AEROTOP SX 7 mit einem COP von 5,2 (A7/W35)

• Ideal für kleine Grundstücke

• Heizen und Trinkwarmwasser, Kühlfunktion optional

• Hocheffizienz-Wärmetauscher

• Vorlauftemperaturen bis zu 60 °C

• Kältemittel R32

• Stromzähler zur Messung des Wärmepumpenstromverbrauchs enthalten

• Inbetriebnahme Wärmepumpe inklusive

• COP und JAZ Anzeige integriert

Lieferumfang

Lieferumfang

Wärmeerzeuger + Zubehör

Luft-Wasser Wärmepumpe AEROTOP® SX7, SX10 oder SX13 mit integrierter Hocheffizienzpumpe, Systemregler LOGON B, Außenfühler und 10 m Hybridkabel

Speicher + Zubehör

300 Liter Trinkwarmwasserspeicher, Pufferspeicher 200 Liter, Speicherfühler

Hydraulik + Zubehör

3-Wege Umstellventil für die Umschaltung Heizen und Warmwasserbereitung, Ausdehnungsgefäß 35 Liter mit Wandhalterung und Kappenventil, STB, Mischerkreis (MK3 DN25) mit Hocheffizienzpumpe und Wärmemengenzähler (integriert)

 

Artikelnummern

AEROTOP® SX7 SX10 SX13
mit 300 Liter Trinkwarmwasserspeicher 3735767 3735974 3736064

100% ELCO

Wärmepumpenlösung 6

Kontaktieren Sie uns.

Sie haben Fragen oder Wünsche?
Wir freuen uns über Ihre Kontaktaufnahme.

Oder nutzen Sie unser Kontaktformular. Wir werden uns schnellstmöglich mit Ihnen in Verbindung setzen.