Wärmepumpe AEROTOP SG ELCO

Wärmepumpenlösung 4

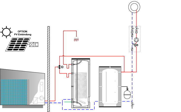
AEROTOP® SG für die Außenaufstellung mit 300 Liter Trinkwarmwasserspeicher und 400 Liter Pufferspeicher

Modulierende Luft-Wasser Wärmepumpe, Leistung 3,9 kW - 18,2 kW (A7/W35)

Unschlagbare Effizienz und einzigartiges Design

• Integrierte Hocheffizienzpumpe

• Hocheffizienz-Wärmetauscher

• Niedrigste Betriebsgeräusche – Silent Mode verfügbar

• Vorlauftemperaturen bis zu 60 °C

• EHPA Gütesiegel zertifiziert

• Gehäuse aus Edelstahl oder Edelstahloptik

• Sehr große Verdampferoberfläche reduziert Luftgeschwindigkeit

• Luftstrom entweicht senkrecht nach Oben

• Inbetriebnahme Wärmepumpe inklusive

• Stromzähler zur Messung des Wärmepumpenstromverbrauchs

• AEROTOP SG12: COP 5,4 bei A7/W35

Lieferumfang

Lieferumfang

Wärmeerzeuger + Zubehör

Luft-Wasser Wärmepumpe AEROTOP® SG10, SG12 oder SG14 mit integrierter Hocheffizienzpumpe, Systemregler LOGON B, Außenfühler und 10 m Hybridkabel

Speicher + Zubehör

300 Liter Trinkwarmwasserspeicher, Pufferspeicher 400 Liter, Speicherfühler

Hydraulik + Zubehör

3-Wege Umstellventil für die Umschaltung Heizen und Warmwasserbereitung, Ausdehnungsgefäß 35 Liter mit Wandhalterung und Kappenventil, STB, Mischerkreis (MK3 DN25) mit Hocheffizienzpumpe und Wärmemengenzähler (integriert)

 

Abschiedstour einer Designikone - die AEROTOP® SG verlässt die Bühne.

Nur so lange der Vorrat reicht: Die AEROTOP® SG gibt es jetzt zu unschlagbaren Aktionspreisen.

Artikelnummern

AEROTOP® SG10 - Edelstahl SG10 - Edelstahloptik SG12 - Edelstahl SG12 - Edelstahloptik SG14 - Edelstahl SG14 - Edelstahloptik
mit 300 Liter Trinkwarmwasserspeicher 4270264 4270265 4270266 4270267 4270275 4270276

100% ELCO

Wärmepumpenlösung 4

Kontaktieren Sie uns.

Sie haben Fragen oder Wünsche?
Wir freuen uns über Ihre Kontaktaufnahme.

Oder nutzen Sie unser Kontaktformular. Wir werden uns schnellstmöglich mit Ihnen in Verbindung setzen.