Wärmepumpe AEROTOP SPK ELCO

Wärmepumpenlösung 1

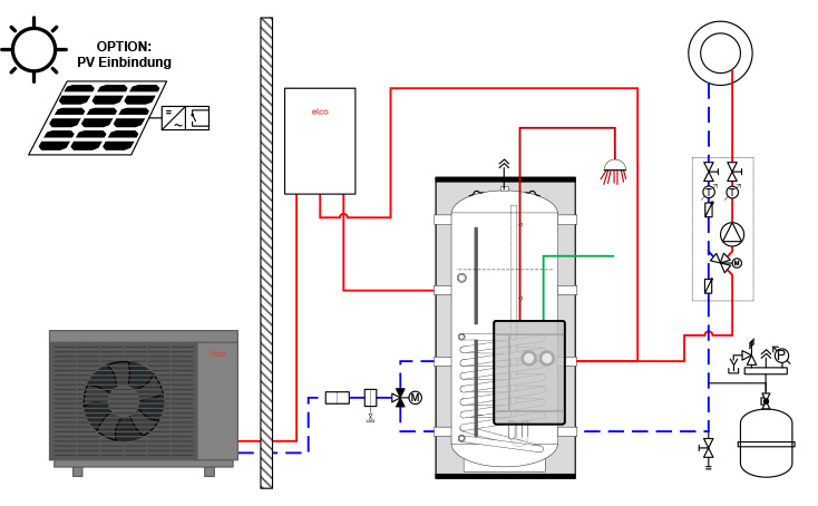
AEROTOP® SPK für die Außenaufstellung mit Pufferspeicher und Frischwasserstation (FRIWA)

Modulierende Luft-Wasser Wärmepumpe, Leistung 2,8 kW - 24,0 kW (A7/W35)

Natürliches Kältemittel und hohe Vorlauftemperatur

• AEROTOP® SPK10 mit COP von 5,7 (A7/W35)

• Ideal für den Gebäudebestand

• Heizen, Trinkwarmwasser, Kühlfunktion wählbar

• Edelstahl-Wärmetauscher

• Vorlauftemperaturen bis zu 70 °C

• Kältemittel R290

• Stromzähler zur Messung des Wärmepumpenstromverbrauchs enthalten

• Schlammabscheider enthalten

• Inbetriebnahme Wärmepumpe inklusive

• COP und JAZ Anzeige integriert

Lieferumfang

Lieferumfang

Wärmeerzeuger + Zubehör

Luft-Wasser Wärmepumpe AEROTOP® SPK7 / SPK10 / SPK16 / SPK 20 mit integrierter Hocheffizienzpumpe, Systemregler LOGON B, Außenfühler und 10 m Hybridkabel (SPK7 / SPK10)

Speicher + Zubehör

Pufferspeicher, Frischwasserstation und Zubehör. Bei Variante mit Kühlfunktion: gleitender Heizkreis mit 400 Liter Pufferspeicher und Frischwasserstation.

Hydraulik + Zubehör

3-Wege Umstellventile für die Umschaltung Heizen und Warmwasserbereitung, Ausdehnungsgefäß 80 Liter (mit Kühlfunktion 50 Liter) mit Kappenventil, STB, Mischerkreis (MK3 DN32) mit Hocheffizienzpumpe und Wärmemengenzähler (integriert)

 

Artikelnummern

AEROTOP® SPK7 SPK10 SPK16 SPK20
mit 600 Liter Pufferspeicher und FRIWA 4147056 4147058
mit 400 Liter Pufferspeicher, FRIWA und Kühlfunktion (Von der Abb. abweichendes Hydraulikschema) 4147057 4147059
mit 800 Liter Pufferspeicher und FRIWA 4189088
mit 1000 Liter Pufferspeicher und FRIWA 4189089

100% ELCO

Wärmepumpenlösung 1

Kontaktieren Sie uns.

Sie haben Fragen oder Wünsche?
Wir freuen uns über Ihre Kontaktaufnahme.

Oder nutzen Sie unser Kontaktformular. Wir werden uns schnellstmöglich mit Ihnen in Verbindung setzen.