Wärmepumpen-Gas-Hybridsystem AEROTOP SX mit THISION S PLUS ELCO

Wärmepumpen-Gas-Hybridlösung 3

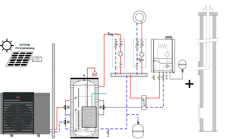
Hybridsystem AEROTOP® SX mit THISION® S PLUS, Kombination aus Luft-Wasser-Wärmepumpe AEROTOP® SX und THISION® S PLUS mit Pufferspeicher, Abgassystem und Frischwasserstation (FRIWA)

Modulierende Luft-Wasser Wärmepumpe, Leistung 1,85 kW - 12,54 kW (A7/W35)

Besonders leise und extrem leistungsstark

• Geringe Geräuschentwicklung - im Silent Mode besonders leise

• AEROTOP SX7 mit COP von 5,2 (A7/W35)

• Ideal für kleine Grundstücke

• Hocheffizienz-Wärmetauscher

• Vorlauftemperaturen bis zu 60 °C

• Kältemittel R32

• Stromzähler zur Messung des Wärmepumpenstromverbrauchs enthalten

• Inbetriebnahme Hybridlösung inklusive

• Wärmepumpe ist 100% regenerativ, daher entfällt Bioanteil-Pflicht für Gas-Brennwert nach GEG 2024

Lieferumfang

Lieferumfang

Wärmeerzeuger + Zubehör

Luft-Wasser Wärmepumpe AEROTOP® SX7, SX10 oder SX13 mit integrierter Hocheffizienzpumpe und Ausenfühler, THISION® S PLUS 13 oder 24 Gas-Brennwertkessel wandhängend und 10 m Hybridkabel

Speicher + Zubehör

600 Liter (800 Liter bei AEROTOP® SX13) Pufferspeicher, Frischwasserstation (20-3) und Zubehör

Hydraulik + Zubehör

3-Wege Umstellventil für die Umschaltung Heizen und Warmwasserbereitung, Ausdehnungsgefäß 18 und 50 Liter mit Kappenventil, STB, Mischerkreis (MK3 DN25) mit Hocheffizienzpumpe, Speicherladeset, Hydraulische Weiche, Verteilerbalken mit Wandhalter, Wandhalter MAG und Wärmemengenzähler (integriert)

Abgaszubehör

Siehe Abgassysteme

 

Artikelnummern

AEROTOP® HYBRID S PLUS SX7 SX10 SX13
THISION® S PLUS 13 mit 600/800 Liter Pufferspeicher und FRIWA 4270059 4270060 4270061
THISION® S PLUS 24 mit 600/800 Liter Pufferspeicher und FRIWA 3736048 3736050 3736066

Abgassysteme

Abgassystem (Durchmesser) 60 80
Grundbausatz Schacht (7m) 3734820 3733440
Flexible Lösung (10m) 3735159
Flexible Lösung (15m) 3733443
Dachzentrale schwarz 3733441
Dachzentrale rot 3733442

100% ELCO

Wärmepumpen-Gas-Hybridlösung 3

Kontaktieren Sie uns.

Sie haben Fragen oder Wünsche?
Wir freuen uns über Ihre Kontaktaufnahme.

Oder nutzen Sie unser Kontaktformular. Wir werden uns schnellstmöglich mit Ihnen in Verbindung setzen.