Nachrüstlösung AEROTOP MONO.2 HYBRID UNIVERSAL ELCO

Nachrüstlösung 4 – Wärmepumpe

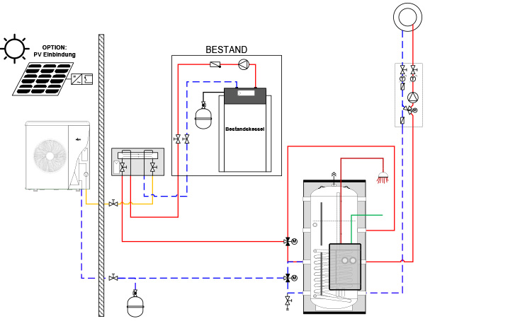
AEROTOP® MONO.2 HYBRID UNIVERSAL mit Pufferspeicher und Frischwasserstation (FRIWA)

Luft-Wasser Mono Wärmepumpe (modulierend) mit wandhängender Inneneinheit, Leistung 1,7 kW - 17,7 kW (A7/W35)

Höchste Leistungszahlen – COP bis zu 5,0 (A7/W35)

• Ergänzung des bestehenden Wärmeerzeugers (Niedertemperatur Gas- oder Ölkessel)

• Nutzung der bestehenden Wärmeverteilung (Heizkörper oder Fußbodenheizung)

• Einbindung einer Photovoltaikanlage mit Wechselrichter und damit Erhöhung des Eigenanteils selbst produzierten PV-Stroms

• Erhöhter Warmwasserkomfort mit Pufferspeicher und Frischwasserstation

• Steigerung des regenerativen Energieanteils

• Stromzähler zur Messung des Wärmepumpenstromverbrauchs enthalten

• Inbetriebnahme Hybridlösung und Einbau Bodenwannenheizung inklusive

• Wärmepumpe ist 100% regenerativ, daher entfällt Bioanteil-Pflicht für fossilen Wärmeerzeuger

Lieferumfang

Lieferumfang

Wärmeerzeuger + Zubehör

Luft-Wasser Wärmepumpe AEROTOP® MONO.2 bestehend aus Außeneinheit, HYBRID UNIVERSAL Modul und Systemregler REMOCON PLUS.2.

Speicher + Zubehör

600 Liter Pufferspeicher (800 Liter bei Typ 12.2, 15.2) und Frischwasserstation (20-3) und Zubehör

Hydraulik + Zubehör

3-Wege Umstellventil für die Umschaltung Heizen und Warmwasserbereitung, Mischerkreis, (MK3 DN25) Überström- und Sicherheitsset, Ausdehnungsgefäß 80 Liter, Anlegefühler, Wandhalterung und Kappenventil, Hydraulikkit Aufputz, Kondensatwanne und Wärmemengenzähler (integriert)

 

Artikelnummern

AEROTOP® MONO 05.2X ODU 230V 08.2X ODU 230V 08.2 ODU 400V 12.2 ODU 400 V 15.2 ODU 400 V
mit separatem 600 Liter (800 Liter) Pufferspeicher und FRIWA 4174060 3735770 3735769 4270075 4270076
Wandmontageset für AEROTOP® Außeneinheit 3735429 3735430 3735430
Bodensockel für AEROTOP® Außeneinheit 3735431 3735431 3735431 3735432 3735432

100% ELCO

Nachrüstlösung 4 – Wärmepumpe

Kontaktieren Sie uns.

Sie haben Fragen oder Wünsche?
Wir freuen uns über Ihre Kontaktaufnahme.

Oder nutzen Sie unser Kontaktformular. Wir werden uns schnellstmöglich mit Ihnen in Verbindung setzen.