Nachrüstlösung AEROTOP SX ELCO

Nachrüstlösung 3 – Wärmepumpe

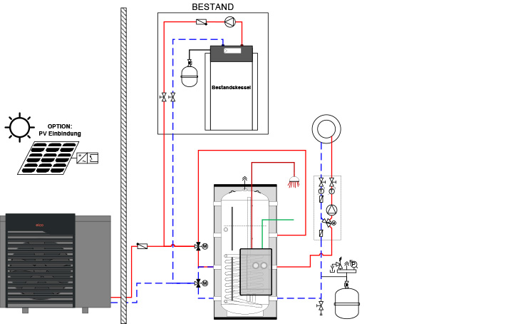
AEROTOP® SX für die Außenaufstellung mit Pufferspeicher und Frischwasserstation (FRIWA)

Modulierende Luft-Wasser Wärmepumpe, Leistung 1,85 kW - 12,54 kW (A7/W35)

Besonders leise und extrem leistungsstark

• Ergänzung des bestehenden Wärmeerzeugers (Niedertemperatur Gas- oder Ölkessel)

• Nutzung der bestehenden Wärmeverteilung (Heizkörper oder Fußbodenheizung)

• Einbindung einer Photovoltaikanlage mit Wechselrichter und damit Erhöhung des Eigenanteils selbst produzierten PV-Stroms

• Erhöhter Warmwasserkomfort mit Pufferspeicher und Frischwasserstation

• Steigerung des regenerativen Energieanteils

• Stromzähler zur Messung des Wärmepumpenstromverbrauchs enthalten

• Inbetriebnahme Hybridlösung inklusive

• Wärmepumpe ist 100% regenerativ, daher entfällt Bioanteil-Pflicht für fossilen Wärmeerzeuger

• Geringe Geräuschentwicklung – AEROTOP® SX7 erreicht einen Schallleistungspegel von 47 dB(A)

• AEROTOP SX 7 mit einem COP von 5,2 (A7/W35)

Lieferumfang

Lieferumfang

Wärmeerzeuger + Zubehör

Luft-Wasser Wärmepumpe AEROTOP® SX7,SX10 oder SX13 mit integrierter Hocheffizienzpumpe, Systemregler LOGON B, Außenfühler und 10 m Hybridkabel

Speicher + Zubehör

600 Liter Pufferspeicher (AEROTOP®SX13 mit 800 Liter), Frischwasserstation (20-3) und Zubehör

Hydraulik + Zubehör

3-Wege Umstellventil für die Umschaltung Heizen und Warmwasserbereitung, Ausdehnungsgefäß 80 Liter mit Wandhalterung und Kappenventil, STB, Mischerkreis (MK3 DN25) mit Hocheffizienzpumpe und Wärmemengenzähler (integriert)

 

Artikelnummern

AEROTOP® SX7 SX10 SX13
mit 600/800 Liter Pufferspeicher und FRIWA 4270072 4270073 4270074

100% ELCO

Nachrüstlösung 3 – Wärmepumpe

Kontaktieren Sie uns.

Sie haben Fragen oder Wünsche?
Wir freuen uns über Ihre Kontaktaufnahme.

Oder nutzen Sie unser Kontaktformular. Wir werden uns schnellstmöglich mit Ihnen in Verbindung setzen.