Nachrüstlösung HYBRIDSYSTEM AEROTOP SG Luft-Wasser-Wärmepumpe AEROTOP SG ELCO

Nachrüstlösung 2 – Wärmepumpe

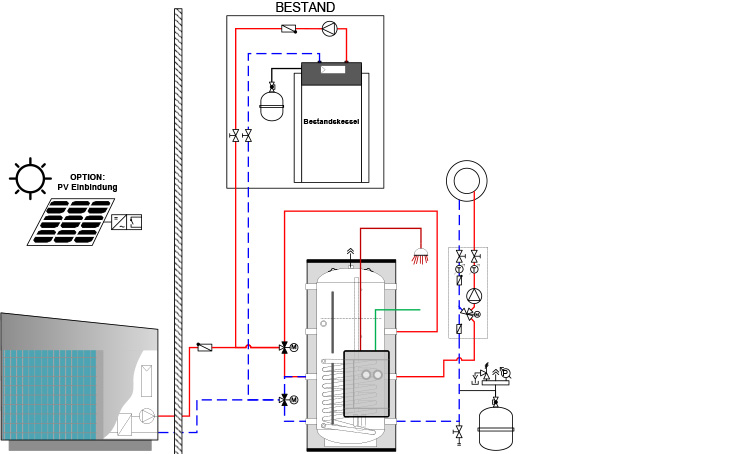
HYBRIDSYSTEM AEROTOP® SG Luft-Wasser-Wärmepumpe AEROTOP® SG mit Pufferspeicher und Frischwasserstation (FRIWA)

Modulierende Luft-Wasser Wärmepumpe, Leistung 3,9 kW - 18,2 kW (A7/W35)

Unschlagbare Effizienz und einzigartiges Design

• Ergänzung des bestehenden Wärmeerzeugers (Niedertemperatur Gas- oder Ölkessel)

• Nutzung der bestehenden Wärmeverteilung (Heizkörper oder Fußbodenheizung)

• Einbindung einer Photovoltaikanlage mit Wechselrichter und damit Erhöhung des Eigenanteils selbst produzierten PV-Stroms

• Erhöhter Warmwasserkomfort mit Pufferspeicher und Frischwasserstation

• Steigerung des regenerativen Energieanteils

• Stromzähler zur Messung des Wärmepumpenstromverbrauchs enthalten

• Inbetriebnahme Hybridlösung inklusive

• AEROTOP® SG: Designpreis-Gewinner 2022

• Wärmepumpe ist 100% regenerativ, daher entfällt Bioanteil-Pflicht für fossilen Wärmeerzeuger

• AEROTOP SG12: COP 5,4 bei A7/W35

Lieferumfang

Lieferumfang

Wärmeerzeuger + Zubehör

Luft-Wasser Wärmepumpe AEROTOP® SG10, SG12 oder SG14 mit integrierter Hocheffizienzpumpe, Systemregler LOGON B, Außenfühler und 10 m Hybridkabel

Speicher + Zubehör

600 Liter Pufferspeicher (AEROTOP® SG12 oder SG14 800 Liter), Frischwasserstation (20-3) und Zubehör

Hydraulik + Zubehör

3-Wege Umstellventile für die Umschaltung Heizen und Warmwasserbereitung, Ausdehnungsgefäß 80 Liter mit Kappenventil, STB, Mischerkreis (MK3 DN25) mit Hocheffizienzpumpe und Wärmemengenzähler (integriert)

 

Abschiedstour einer Designikone - die AEROTOP® SG verlässt die Bühne.

Nur so lange der Vorrat reicht: Die AEROTOP® SG gibt es jetzt zu unschlagbaren Aktionspreisen.

Artikelnummern

AEROTOP® SG10 – Edelstahl SG12 – Edelstahl SG14 – Edelstahl
mit 600 Liter Pufferspeicher und FRIWA 4270284
mit 800 Liter Pufferspeicher und FRIWA 4270285 4270286

100% ELCO

Nachrüstlösung 2 – Wärmepumpe

Kontaktieren Sie uns.

Sie haben Fragen oder Wünsche?
Wir freuen uns über Ihre Kontaktaufnahme.

Oder nutzen Sie unser Kontaktformular. Wir werden uns schnellstmöglich mit Ihnen in Verbindung setzen.