Nachrüstlösung HYBRIDSYSTEM AEROTOP SG Luft-Wasser-Wärmepumpe AEROTOP SG ELCO

Nachrüstlösung 1 – Wärmepumpe

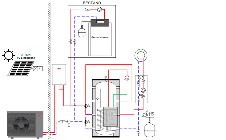
HYBRIDSYSTEM AEROTOP® SPK Luft-Wasser-Wärmepumpe AEROTOP® SPK mit Pufferspeicher und Frischwasserstation (FRIWA)

Modulierende Luft-Wasser Wärmepumpe, Leistung 2,8 kW - 10,0 kW (A7/W35)

Natürliches Kältemittel und hohe Vorlauftemperatur

• AEROTOP® SPK10 mit COP von 5,7 (A7/W35)

• Ideal für den Gebäudebestand

• Heizen, Trinkwarmwasser

• Edelstahl-Wärmetauscher

• Vorlauftemperaturen bis zu 70 °C

• Kältemittel R290

• Stromzähler zur Messung des Wärmepumpenstromverbrauchs enthalten

• Schlammabscheider enthalten

• Inbetriebnahme Wärmepumpe inklusive

• COP und JAZ Anzeige integriert

Lieferumfang

Lieferumfang

Wärmeerzeuger + Zubehör

Luft-Wasser Wärmepumpe AEROTOP® SPK7 oder SPK10 mit integrierter Hocheffizienzpumpe, Systemregler LOGON B, Außenfühler und 10 m Hybridkabel

Speicher + Zubehör

600 Liter Pufferspeicher, Frischwasserstation (20-3) und Zubehör

Hydraulik + Zubehör

3-Wege Umstellventile für die Umschaltung Heizen und Warmwasserbereitung, Ausdehnungsgefäß 80 Liter mit Kappenventil, STB, Mischerkreis (MK3 DN32) mit Hocheffizienzpumpe und Wärmemengenzähler (integriert)

 

Artikelnummern

AEROTOP® SPK7 SPK10
mit 600 Liter Pufferspeicher und FRIWA 4174058 4174059

100% ELCO

Nachrüstlösung 1 – Wärmepumpe

Kontaktieren Sie uns.

Sie haben Fragen oder Wünsche?
Wir freuen uns über Ihre Kontaktaufnahme.

Oder nutzen Sie unser Kontaktformular. Wir werden uns schnellstmöglich mit Ihnen in Verbindung setzen.