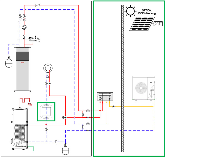
Hybrid-Nachrüstlösung 2 - Basispaket Öl -HYBRID STRATON® ST
mit Trinkwarmwasserspeicher und Abgassystem, Anschlüsse für spätere Wärmepumpen- Erweiterung vorhanden, Öl-Brennwertkessel, Leistung 13 kW - 21 kW
Wir haben insgesamt zwei perfekt aufeinander abgestimmte Systeme für Sie zusammengestellt.
Sie haben Fragen oder Wünsche?
Wir freuen uns über Ihre Kontaktaufnahme.
Oder nutzen Sie unser Kontaktformular. Wir werden uns schnellstmöglich mit Ihnen in Verbindung setzen.