Gas-Brennwertlösung THISION MINI ELCO

Gas-Brennwertlösung 4

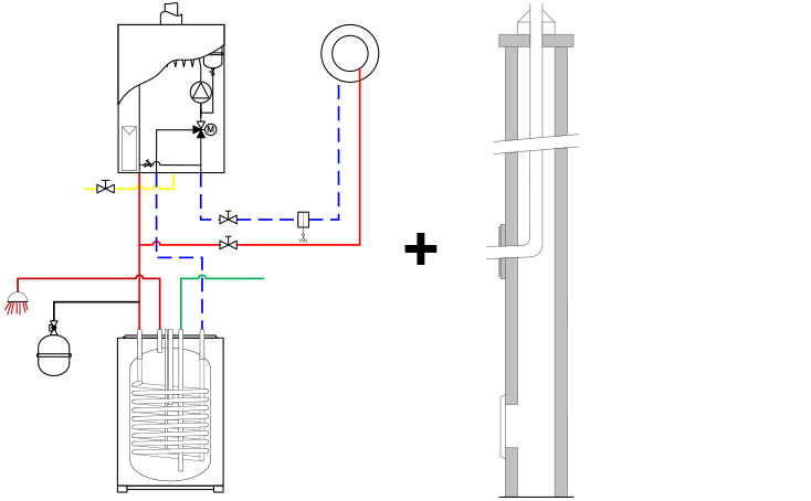
THISION® MINI mit Trinkwarmwasserspeicher und Abgassystem

Gas-Brennwertkessel (modulierend) Leistung 3,4 kW - 27,4 kW

Exzellentes Preis- / Leistungsverhältnis

• Integrierte Hocheffizienzpumpe

• Vorbildlicher Normnutzungsgrad 107,3%

• Langlebiger, technisch herausragender Edelstahlwärmetauscher

• Übersichtliche und einfache Bedienung durch intelligente Regelung REMOCON

• Zugriff auf Ihre Heizung immer und von überall durch eine App auf dem Smartphone oder Tablet

• Kompakte Abmessungen, niedriges Gewicht

• 1:1 Kesseltausch geeignet

Lieferumfang

Lieferumfang

Wärmeerzeuger + Zubehör

Modulierender Gas-Brennwertkessel THISION® MINI 15, 22 oder 28, Anschlusszubehör inkl. Gas- und Wartungshähne, eingebautes Gateway zur App-Steuerung

Speicher + Zubehör

120 oder 150 Liter Warmwasserspeicher mit Rohrsatz und Zubehör

Hydraulik + Zubehör

Integrierte Hocheffizienzpumpe, 3-Wege-Umschaltventil, Ausdehnungsgefäß 35 Liter, Kappenventil und Wandhalter

Abgaszubehör

Siehe Abgassysteme

 

Artikelnummern

THISION® MINI 15 22 28
mit 120 Liter Unterstellspeicher 3734833 3734835 3734837
mit 150 Liter Unterstellspeicher 3734834 3734836 3734838

Abgassysteme

Abgassystem 60 80
Grundbausatz Schacht (7m) 3732368
Flexible Lösung (10m) 3735410 3735160
Flexible Lösung (15m) 3735411 3733448
Dachzentrale schwarz 3732369
Dachzentrale rot 3732370

100% ELCO

Gas-Brennwertlösung 4

Kontaktieren Sie uns.

Sie haben Fragen oder Wünsche?
Wir freuen uns über Ihre Kontaktaufnahme.

Oder nutzen Sie unser Kontaktformular. Wir werden uns schnellstmöglich mit Ihnen in Verbindung setzen.